双击打开粘贴出来的符号,就可以在绘图区域进行符号的绘制了:

我们可以将不需要的属性、回路等都删除,将符号绘制好以后再添加。然后通过功能卡的“绘图”或者“修改”功能进行绘图,功能类似CAD画图,记得将栅格捕捉打开,栅格捕捉建议设定为2.5,图形绘制完成以后如下:

然后就需要根据我们的需要为这个符号添加回路和属性了,比如我创建的这个6极开关,就需要添加6个回路。点击编辑符号,使用新建回路按钮添加回路,再点击连接点按钮,为每个回路各设置两个端子,完成如下图所示:

继续为符号添加需要显示的属性,在选项前打勾即可:


随后调整属性显示的位置和插入点的位置,关闭窗口选择保存即可,别忘了打开符号管理器对我们新建的符号进行分类和修改说明:

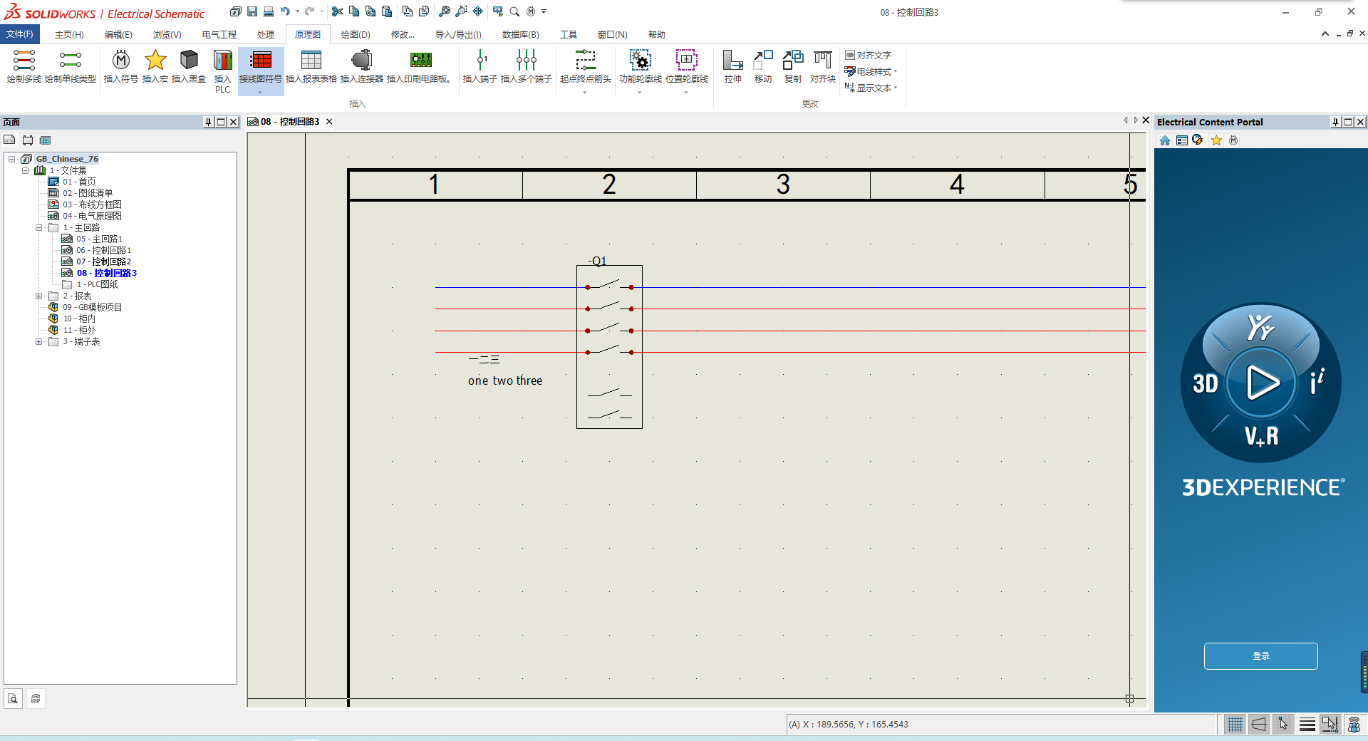
符号创建完成以后,就可以在设计原理图时使用了。点击插入符号,找到我们新建的符号确认插入:


还可以修改属性观察是否显示,至此符号创建成功。
本文来源:达索系统SOLIDWORKS湖北代理商武汉高顿科技电气工程师胡松泉