这里建议大家不要存IGES格式,直接以原格式或Pro/E、UG等形式存储,然后直接使用SOLIDWORKS读取这类格式。
Tips:2
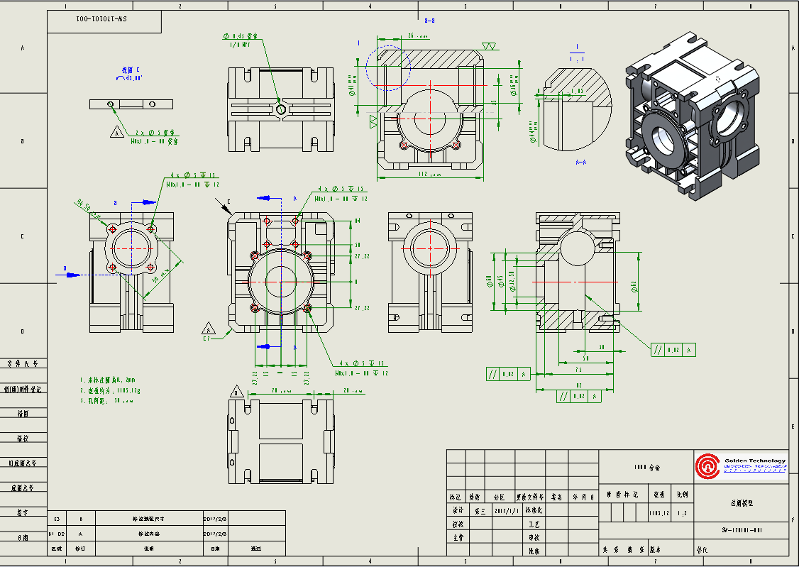
出工程图时应以一个基准点为定点,随后做出标注。尺寸线不相交,有方向感,朝左就朝左,向下就向下。除非标不清,则需要考虑其他方向。最大尺寸应标在主视图,剖视图是用来标看不到的尺寸,切忌乱标注,导致看不清楚。

对于开模具,喜欢将尺寸集中起标,不喜欢去找;车床加工者不需全段标,喜欢一段一段标;对电火花来说,喜欢一边基准靠边标;对出压铸加工产品图的来说,则喜欢以一个加工平面为基准标。
Tips:3
结构设计中对于壳体大平面产品,容易变形,装配时易产生平面凹陷,间隙过大。适当考虑加“加强筋”,筋的厚度不可大于产品壁厚。设计倒钩时最好有一半是合在产品壁上,不可独立设置。紧贴产品壁将导致产品间隙过大,此外塑料产品壁过厚,将导致缩壁。螺丝孔柱的设计如“M3”自攻螺丝,“柱”至少要6以上,“孔”要在2.5-2.7间,如你设计柱5.5,孔2.3,百分之百会钻碎 。
Tips:4
模具设计产品排位,最好分中,尺寸为整。产品小的,如30X30,左右的间距40--50,两边留20-25。模框外形放大40-50。产品底于模板距至少留底20以上。水管冷切效果是30,水管排位不要设计太紧。
Tips:5
有些产品在转换的过程中坐标不准,导致无法出图,可用移动复制中来矫正。对于造型来说,过程最好不要简便,以便修改方便。

Tips:6
装配两个造型体时(如壳体),但这两个造型不是同一个人设计,那两个人应考虑用同个基准面开始做。但拉伸方向两人应相反,以便装配时拿出来的产品刚好是相对的 。
Tips:7
看图造型无样品时,我们应注意,不是拿到图纸就开始画。而是每个视图尺寸都要先看一下。
一般先选平面主视图来参照。再对照右视图,再看各个视图尺寸组合起来造出产品。

Tips:8
SOLIDWORKS草图有插入图片功能,首先选择一个基准面进入草绘模式,再点击插入图片符号,此时图片将作为产品背景,大小可调节,不同的方向可用曲面先拉好基准面来进行贴图。
